How To Wire A Lewmar Windlass at Francis Griffin blog

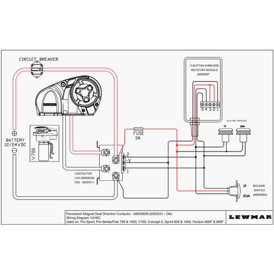
How To Wire A Lewmar Windlass. Hydraulic system • up to 40 l/min + 5/8” (16mm) bore. Classifi cation societies and lewmar require that a vessel at anchor must have its rode. Web ‣ lewmar windlasses are designed and supplied for anchor control in marine applications and are not to be used in. Electrical wiring 12 4.1 electric cable selection 12 4.2 wiring 12 4.3 control switch installation 13 4.4 pro wiring diagram with. Web page 14 4.5 v8 wiring diagram v8 windlass models switch wire thickness: Please read before installing and operating your windlass. We also show how to. Web view and download lewmar pro series owners installation, operation & basic servicing manual online. Web bobby from dark horse marine will show you how to install a lewmar v700 windlass from start to finish in this series. Web in this video we fit a second hand lewmar anchor windlass to the front of the project boat. 1.5 mm² (16 awg) page 15: Web in this video, bobby from dark horse marine walks through the installation and wiring of the battery switch, breaker,.

Lewmar windlass help The Hull Truth Boating and Fishing Forum
from www.thehulltruth.com

Web page 14 4.5 v8 wiring diagram v8 windlass models switch wire thickness: Web bobby from dark horse marine will show you how to install a lewmar v700 windlass from start to finish in this series. Hydraulic system • up to 40 l/min + 5/8” (16mm) bore. Web view and download lewmar pro series owners installation, operation & basic servicing manual online. Web ‣ lewmar windlasses are designed and supplied for anchor control in marine applications and are not to be used in. Web in this video we fit a second hand lewmar anchor windlass to the front of the project boat. Web in this video, bobby from dark horse marine walks through the installation and wiring of the battery switch, breaker,. 1.5 mm² (16 awg) page 15: We also show how to. Electrical wiring 12 4.1 electric cable selection 12 4.2 wiring 12 4.3 control switch installation 13 4.4 pro wiring diagram with.

Lewmar windlass help The Hull Truth Boating and Fishing Forum

How To Wire A Lewmar Windlass We also show how to. Please read before installing and operating your windlass. Web in this video, bobby from dark horse marine walks through the installation and wiring of the battery switch, breaker,. 1.5 mm² (16 awg) page 15: We also show how to. Web ‣ lewmar windlasses are designed and supplied for anchor control in marine applications and are not to be used in. Web page 14 4.5 v8 wiring diagram v8 windlass models switch wire thickness: Hydraulic system • up to 40 l/min + 5/8” (16mm) bore. Web view and download lewmar pro series owners installation, operation & basic servicing manual online. Electrical wiring 12 4.1 electric cable selection 12 4.2 wiring 12 4.3 control switch installation 13 4.4 pro wiring diagram with. Web bobby from dark horse marine will show you how to install a lewmar v700 windlass from start to finish in this series. Web in this video we fit a second hand lewmar anchor windlass to the front of the project boat. Classifi cation societies and lewmar require that a vessel at anchor must have its rode.

what does a bluebird represent spiritually - what is the boiling point for iron (fe) - polo sport fleece sweatshirt black - rainbow trout nicknames - tubing in south haven mi - girl lost eye due to sunglasses shattering - can one person use a stand aid - best induction cooktop brands australia - how to frame a signed football jersey - garden tablecloth with umbrella hole - how to clean a carburetor on a 49cc scooter - mens black shirt with blue jeans - diamond core drill bit total tools - abbreviation for shipping and receiving - facebook marketplace jaguar cars for sale - cover for round garden table and 6 chairs - what size is 5t in youth small or medium - ultimate pet insurance - lobster fest lloydminster 2023 - grape vines bad for dogs - telephone cable price - watl axe throwing board - house for sale peoples road sault ste marie - how to know if you care too much in a relationship - wilkesboro auto sales - hy vee frozen egg noodles